W05-N上方感应传感器 丝印移印机接近开关


| 型号 | W05-N |
|---|---|
| 输出类型 | NPN输出 |
| 检测距离 | 4mm |
| 探测方向 | 顶端检测 |
| 连接方式 | 3芯电缆 |
| 电源电压 | 12~24V DC |
| 最大输出电流 | 150mA |
| 消耗电流 | 小于10mA |
| 漏电电流 | 小于0.01mA |
| 残留电压 | 1.5V |
| 反应频率 | 500HZ |
| 保护电路 | 短路保护 |
| IP防护等级 | IP67 |
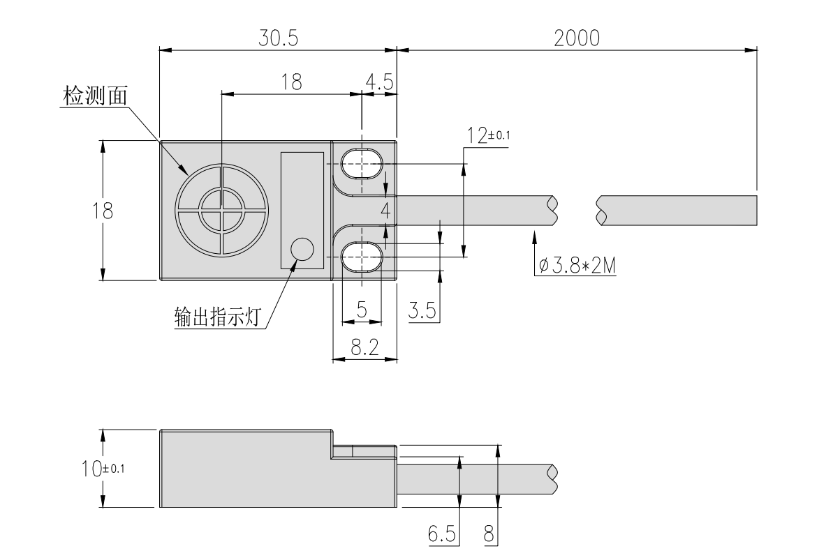
| 尺寸 | 长x款x高 30x18x10mm |
| 重复精度 | <1.0%(Sr) |



| 型号 | W05-N |
|---|---|
| 输出类型 | NPN输出 |
| 检测距离 | 4mm |
| 探测方向 | 顶端检测 |
| 连接方式 | 3芯电缆 |
| 电源电压 | 12~24V DC |
| 最大输出电流 | 150mA |
| 消耗电流 | 小于10mA |
| 漏电电流 | 小于0.01mA |
| 残留电压 | 1.5V |
| 反应频率 | 500HZ |
| 保护电路 | 短路保护 |
| IP防护等级 | IP67 |
| 尺寸 | 长x款x高 30x18x10mm |
| 重复精度 | <1.0%(Sr) |
